名称:4080A
分类:40系列
咨询热线:18553169683
联系我们
详细说明:

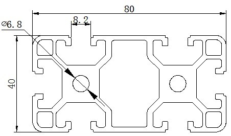
型材 Profile:40*80
材料 铝
Material Aluminium
(6063-T5)
单位质量 Weight:3.25KG/M
长度 Lenght:6020MM
集合惯性 Mass of lnertia:
lx:74.80cm4 ly:21.60cm4
截面惯性 Section Modulus:
Zx:17.40cm3 Zy:8.70cm3
8mm槽宽的工业铝型材系列适用于应力及强度较大的框架组合结构,它的外型采用圆角过渡,表面经过银白阳极氧化处理,高雅美观并抗腐蚀。
