名称:3060B
分类:30系列
咨询热线:18553169683
联系我们
详细说明:

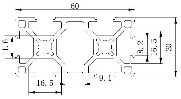
型材 Profile:30*60
材料 铝
Material Aluminium
(6063-T5)
单位质量 Weight:1.9KG/M
长度 Lenght:6020MM
集合惯性 Mass of lnertia:
lx:2.52cm4 ly:2.52cm4
截面惯性 Section Modulus:
Zx:1.51cm3 Zy:1.51cm3
8mm槽宽的工业铝型材系列适用于应力及强度较大的框架组合结构,它的外型采用圆角过渡,表面经过银白阳极氧化处理,高雅美观并抗腐蚀。
